Вы здесь
Привод управления дроссельной заслонкой Electrak
Привод управления дроссельной заслонкой Electrak применяется в:
- Сельскохозяйственной технике;
 - Морских судах;
 - Уборочных машин;
 - Вспомогательных машин;
 - Мобильных генераторах;
 - Строительной технике;
 - Военных и спасательных машин;
 - Самосвалах;
 - Вилочных погрузчиках;
 - Передвижных насосных установок;
 - Садовом и лесозаготовительном оборудовании;
 - Горно-шахтном оборудовании
 
Прочный алюминиевый корпус имеет изоляцию IP69K/IP67 и покрытие E-coat для защиты от коррозии, что фактически устраняет потребность привода дроссельной заслонки в техническом обслуживании.
Упрощенная установка и повышенная безопасность оператора и производительность за счет компактной конструкции иэлектромеханического интерфейса, который позволяет эргономично разместить органы регулирования оборотов двигателя.
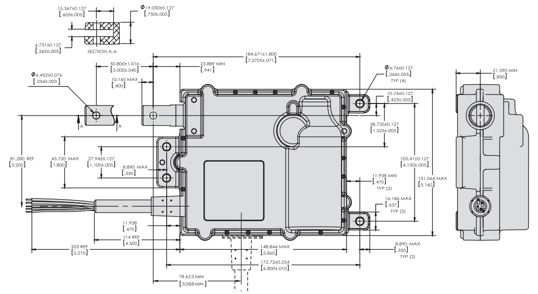
Габаритные размеры привода управления дроссельной заслонкой Electrak


Аэродинамические характеристики привода управления дроссельной заслонкой Electrak

			


