Вы здесь
Электрические воздухонагреватели для прямоугольных каналов ЭНП
Особенности электрических воздухонагревателей для прямоугольных каналов ЭНП
- Большой диапазон мощностей – от 6 до 120 кВт;
- Нагревательные элементы из нержавеющей стали;
- Регулировка температуры;
- Встроенные биметаллические термовыключатели;
- Оцинкованный стальной корпус;
- Тэны повышенной надежности;
- Степень защиты IP21;
- Максимальная температура выходного воздуха 40°C;
- Температура эксплуатации -40...+40 °С;
- Напряжение ~380В.
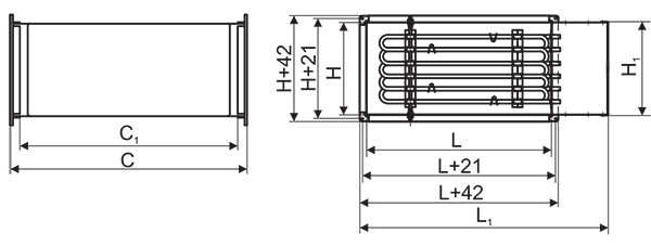
Габаритные размеры электрических воздухонагревателей для прямоугольных каналов ЭНП
Модель | L | H | C | L1 | H1 | C1 |
ЭНП 400х200 | 400 | 200 | 500 | 545 | 202 | 430 |
ЭНП 500х250 | 500 | 250 | 500 | 645 | 252 | 430 |
ЭНП 500х300 | 500 | 300 | 500 | 645 | 302 | 430 |
ЭНП 600х300 | 600 | 300 | 500 | 745 | 302 | 430 |
ЭНП 600х350 | 600 | 350 | 500 | 745 | 352 | 430 |
ЭНП 700х400 | 700 | 400 | 600 | 845 | 502 | 530 |
ЭНП 800х500 | 800 | 500 | 600 | 945 | 502 | 530 |
ЭНП 1000х500 | 1000 | 500 | 600 | 1145 | 502 | 530 |
Технические характеристики электрических воздухонагревателей для прямоугольных каналов ЭНП
Модель | LxH, мм | Мощность, кВт | Ступени мощность, кВт | Ток, А | Минимальный расход воздуха , м3/ч | Схема подключения | Масса, кг |
ЭНП 40-20/6 | 400х200 | 6 | 6 | 9,13 | 700 | ЭНП-1 | 9,6 |
ЭНП 40-20/9 | 9 | 9 | 13,69 | 9,6 | |||
ЭНП 40-20/12 | 12 | 12 | 18,25 | 10,9 | |||
ЭНП 40-20/15 | 15 | 15 | 22,82 | 10,9 | |||
ЭНП 40-20/18 | 18 | 18 | 27,38 | 10,9 | |||
ЭНП 40-20/21 | 21 | 21 | 31,94 | 10,9 | |||
ЭНП 40-20/24 | 24 | 24 | 36,5 | 10,9 | |||
ЭНП 50-25/6 | 500х250 | 6 | 6 | 9,13 | 900 | ЭНП-1 | 11,3 |
ЭНП 50-25/9 | 9 | 9 | 13,69 | 11,3 | |||
ЭНП 50-25/12 | 12 | 12 | 18,25 | 11,33 | |||
ЭНП 50-25/15 | 15 | 15 | 22,82 | 12,6 | |||
ЭНП 50-25/18 | 18 | 18 | 27,38 | 12,6 | |||
ЭНП 50-25/21 | 21 | 21 | 31,94 | 12,7 | |||
ЭНП 50-25/24 | 24 | 24 | 36,5 | 12,65 | |||
ЭНП 50-25/27 | 27 | 18+9 | 41,07 | ЭНП-2 | 13,9 | ||
ЭНП 50-25/30 | 30 | 18+12 | 45,63 | 14,0 | |||
ЭНП 50-30/6 | 500х300 | 6 | 6 | 9,13 | 1100 | ЭНП-1 | 12,2 |
ЭНП 50-30/9 | 9 | 9 | 13,69 | 12,2 | |||
ЭНП 50-30/12 | 12 | 12 | 18,25 | 13,0 | |||
ЭНП 50-30/15 | 15 | 15 | 22,82 | 13,9 | |||
ЭНП 50-30/18 | 18 | 18 | 27,38 | 13,9 | |||
ЭНП 50-30/21 | 21 | 21 | 31,94 | 13,9 | |||
ЭНП 50-30/24 | 24 | 24 | 36,5 | 15,4 | |||
ЭНП 50-30/27 | 27 | 18+9 | 41,07 | ЭНП-2 | 15,3 | ||
ЭНП 50-30/30 | 30 | 18+12 | 45,63 | 16,0 | |||
ЭНП 60-30/18 | 600х300 | 18 | 18 | 27,38 | 1300 | ЭНП-1 | 14,7 |
ЭНП 60-30/24 | 24 | 24 | 36,5 | 16,3 | |||
ЭНП 60-30/30 | 30 | 18+12 | 45,63 | ЭНП-2 | 17,0 | ||
ЭНП 60-30/36 | 36 | 24+12 | 55,0 | 18,5 | |||
ЭНП 60-30/42 | 42 | 24+18 | 64,0 | 19,0 | |||
ЭНП 60-30/48 | 48 | 24+24 | 73,0 | 20,7 | |||
ЭНП 60-35/18 | 600х350 | 18 | 18 | 27,38 | 1350 | ЭНП-1 | 15,6 |
ЭНП 60-35/24 | 24 | 24 | 36,5 | 17,1 | |||
ЭНП 60-35/30 | 30 | 18+12 | 45,63 | ЭНП-2 | 17,8 | ||
ЭНП 60-35/36 | 36 | 24+12 | 55,0 | 19,4 | |||
ЭНП 60-35/42 | 42 | 24+18 | 64,0 | 20,0 | |||
ЭНП 60-35/48 | 48 | 24+24 | 73,0 | 21,6 | |||
ЭНП 70-40/36 | 700х400 | 36 | 24+12 | 55,0 | 2100 | ЭНП-2 | 25,0 |
ЭНП 70-40/48 | 48 | 24+12+12 | 73,0 | ЭНП-3 | 28,0 | ||
ЭНП 70-40/60 | 60 | 24+24+12 | 91,25 | 42,0 | |||
ЭНП 70-40/72 | 72 | 24+24+12+12 | 109,5 | ЭНП-4 | 45,0 | ||
ЭНП 70-40/84 | 84 | 24+24+24+12 | 127,75 | 48,3 | |||
ЭНП 70-40/96 | 96 | 24+24+24+12+12 | 146 | ЭНП-5 | 51,0 | ||
ЭНП 80-50/36 | 800х500 | 36 | 24+12 | 55,0 | 3000 | ЭНП-2 | 30,0 |
ЭНП 80-50/48 | 48 | 24+12+12 | 73,0 | ЭНП-3 | 33,0 | ||
ЭНП 80-50/60 | 60 | 24+24+12 | 91,25 | 46,8 | |||
ЭНП 80-50/72 | 72 | 24+24+12+12 | 109,5 | ЭНП-4 | 50,0 | ||
ЭНП 80-50/84 | 84 | 24+24+24+12 | 127,75 | 53,1 | |||
ЭНП 80-50/96 | 96 | 24+24+24+12+12 | 146 | ЭНП-5 | 56,0 | ||
ЭНП 100-50/48 | 1000х500 | 48 | 24+12+12 | 73,0 | 3700 | ЭНП-3 | 36,8 |
ЭНП 100-50/60 | 60 | 24+24+12 | 91,25 | 53,9 | |||
ЭНП 100-50/72 | 72 | 24+24+12+12 | 109,5 | ЭНП-4 | 57,5 | ||
ЭНП 100-50/84 | 84 | 24+24+24+12 | 127,75 | 61,4 | |||
ЭНП 100-50/96 | 96 | 24+24+24+12+12 | 146 | ЭНП-5 | 64,7 | ||
ЭНП 100-50/108 | 108 | 24+24+24+24+12 | 164,25 | 68,5 | |||
ЭНП 100-50/120 | 120 | 24+24+24+24+24 | 182,5 | 72,3 |