Вы здесь
Увлажнитель воздуха УФИН
Увлажнитель форсуночный канальный центробежный УФИН предназначен для повышения относительной влажности атмосферного и/или рециркуляционного воздуха, а также охлаждения воздуха в системах приточно-вытяжной вентиляции и центрального кондиционирования.
Увлажнитель обеспечивает адиабатическое увеличение относительной влажности воздуха от 5% до 95%. Степень увлажнения воздуха регулируется автоматически при применении системы управления САИН-У.
Увлажнитель УФИН используется:
- для работы в составе центральных кондиционеров любого производителя, в т.ч. агрегатах приточных канальных производства ООО «ИННОВЕНТ» (АПК-ИННОВЕНТ);
- для поставки как самостоятельное изделие;
- для замены поверхностных увлажнителей MUNTERS и иных типов увлажнителей.
Увлажнитель состоит из блока увлажнения с насосной станцией.
Блок увлажнения выпускается в 2-х модификациях:
- для увлажнения до 70% влажности;
- для увлажнения до 95 % влажности.
Корпус блока увлажнения – каркасно-панельный.
На корпусе блока увлажнения предусмотрены:
- люк обслуживания (съемная панель) над смотровым окном камеры увлажнения;
- указатели мест строповки;
- указатели мест заземления;
- стрелка, указывающая направление потока воздуха.
Габаритные размеры увлажнителей УФИН
УФИН №№ 2...5
УФИН №№ 6,3...12,5
Технические характеристики увлажнителей УФИН
Параметр | Типоразмер увлажнителя | |||||||||
2 | 2,5 | 3,15 | 4 | 5 | 6,3 | 8 | 10 | 12,5 | ||
Расход воздуха (Lвозд), max, м3/ч | 1200 | 1980 | 3060 | 4680 | 7920 | 12240 | 24120 | 37800 | 54000 | |
Потребление воды из системы водоснабжения не более, кг/час | 34 | 55 | 85 | 131 | 221 | 342 | 674 | 1056 | 1508 | |
Расход воды через форсунку (G = 0,144*Lвозд), гкг(л)/ч | 170 | 285 | 440 | 675 | 1140 | 1765 | 3475 | 5445 | 7775 | |
Частота вращения колеса, об/мин | 3000 | |||||||||
Напряжение питания злектродвигателя разбрызгивателя, V | 380 | |||||||||
Мощность электродвигателя разбрызгивателя, кВт | 0,25 | 0,55 | 1,5 | 4,0 | ||||||
Диаметр колеса-разбрызгивателя, мм | 140 | 160 | 200 | 250 | ||||||
Ширина колеса-разбрызгивателя, мм | 70 | 80 | 100 | 125 | ||||||
Размеры поперечного сечения камеры увлажнения ∅ мм | 450 | 560 | 690 | 880 | 1210 | 1560 | 1860 | 2000 | 2000 | |
Длина камеры увлажнения до 70% влажности, мм | L1 | 450 | 600 | 750 | 900 | 1000 | 1250 | 1500 | ||
Длина камеры увлажнения до 95% влажности, мм | L1 | 675 | 900 | 1125 | 1350 | 1800 | 2250 | 2500 | ||
Длина блока до 70% влажности, мм | L | 930 | 1080 | 1230 | 1380 | 1480 | 2130 | 2380 | ||
Длина блока до 95% влажности, мм | L | 1155 | 1380 | 1605 | 1830 | 2280 | 3130 | 3380 | ||
Высота блока, мм | H | 790 | 937 | 1127 | 1290 | 1588 | 1844 | 2240 | ||
Ширина блока, мм | T | 536 | 692 | 844 | 1046 | 1340 | 1750 | 2150 | ||
Проходное сечение АПК, мм | ¨a | 282 | 362 | 451 | 559 | 711 | 903 | 1236 | 1596 | 1896 |
Размер по присоединительным отверстиям фланца АПК, мм | ¨с | 304 | 393 | 482 | 590 | 742 | 934 | 1268 | 1628 | 1928 |
Проходное сечение фланца секции увлажнения, мм | ¨A | 451 | 559 | 711 | 903 | 1236 | 1596 | 2000 | ||
Размер по присоединительным отверстиям фланца секции увлажнения, мм | ¨C | 482 | 590 | 742 | 934 | 1268 | – | – | ||
Высота оси, мм | К | 535 | 619 | 733 | 783 | 930 | 990 | |||
Насос | Тип насоса определяется на момент запроса заказчика | |||||||||
Напряжение питания V | 220 | 220 | 220 | 220 | 220 | 220 | 380 | 380 | 380 | |
Наружный диаметр штуцера слива воды из поддона, мм | 50 | 50 | 50 | 50 | 50 | 50 | 100 | 100 | 100 | |
Наружный диаметр штуцера слива излишков воды из бака, мм | 50 | 50 | 50 | 50 | 50 | 50 | 50 | 50 | 50 | |
Диаметр резьбы штуцера подвода воды, дюйм | 1/2’’ | 1/2'’ | 1/2'’ | 1/2'’ | 1/2'’ | 1/2'’ | 1/2'’ | 1/2'’ | 1/2'’ | |
Масса, не более, кг | 120 | 180 | 280 | 360 | 800 | 980 | 1020 | 1050 | 1050 |
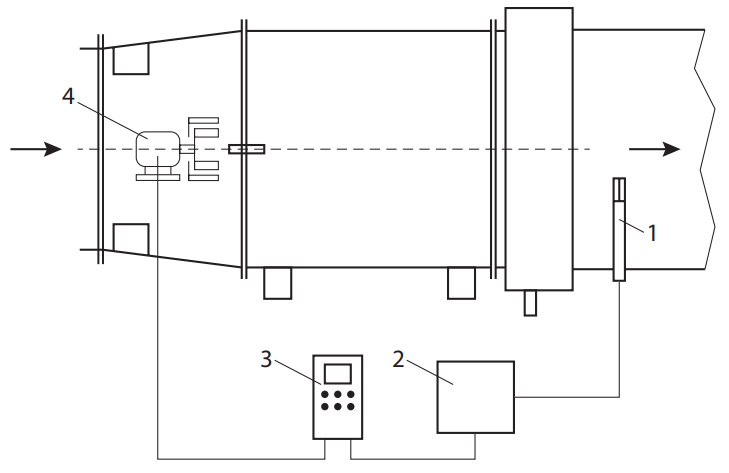
Схема регулирования влажности воздуха
- датчик относительной влажности и температуры RH-1;
- усилитель формирователь и ПИД-регулятор;
- частотный привод;
- электродвигатель вентилятора увлажнителя.
Акустические характеристики увлажнителей УФИН
Типоразмер увлажнителя | Место измерения шума | Корректированный уровень звуковой мощности, дБА, не более | Октавные уровни звуковой мощности Lwi, дБ, не более, излучаемой вентилятором в полосах среднегеометрических частот, Гц | ||||||
125 | 250 | 500 | 1000 | 2000 | 4000 | 8000 | |||
2 . . .5 | на входе | 55 | 53 | 54 | 56 | 50 | 53 | 44 | 41 |
на выходе | 58 | 51 | 52 | 57 | 52 | 55 | 49 | 44 | |
вокруг увлажнителя* | 40 | 40 | 41 | 34 | 30 | 37 | 23 | 14 | |
6,3 | на входе | 74 | 72 | 73 | 75 | 69 | 72 | 63 | 60 |
на выходе | 77 | 70 | 71 | 76 | 71 | 74 | 68 | 63 | |
вокруг увлажнителя* | 59 | 59 | 60 | 53 | 49 | 56 | 42 | 33 | |
8 | на входе | 77 | 75 | 76 | 78 | 72 | 75 | 66 | 63 |
на выходе | 80 | 73 | 74 | 79 | 74 | 77 | 71 | 66 | |
вокруг увлажнителя* | 62 | 62 | 63 | 56 | 52 | 59 | 45 | 36 | |
10 . . .12,5 | на входе | 84 | 82 | 83 | 85 | 79 | 82 | 73 | 70 |
на выходе | 87 | 80 | 81 | 86 | 81 | 84 | 78 | 73 | |
вокруг увлажнителя* | 69 | 69 | 70 | 63 | 59 | 66 | 52 | 43 |