Вы здесь
Местный вентиляционный отсос (зонт технологический) МВО
Местные вентиляционные отсосы (зонты технологические) МВО собственного производства устанавливаются над тепловым оборудованием для улавливания избыточного тепла , влаги, продуктов сгорания и улучшения микроклиматических условий, улавливания жира в рабочей зоне горячих цехов на предприятиях общественного питания. Мы предлагаем купить местный вентотсос МаксАэро в Минске как с жироуловителем, так и без него.
МВО изготавливаются из нержавеющей или из оцинкованной стали любого размера по требованию Заказчика. Местный вентиляционный зонт изготавливается с паспортом и ТУ РБ.
Местный вентотсос МВО изготавливают в нашем Предприятии 2-х типов:
- приточно-вытяжные МС;
- вытяжные МСВ.
По типу конструкции отсосы вентиляционные (зонты технологические) подразделяются:
- Приточно-вытяжные – МВО-МС; МВО-МС-01; МВО-МС-02; МВО-МС-03; МВО-МС-04.
- Вытяжные – МВО-МСВ; МВО-МСВ-01; МВО-МСВ-02; МВО-МСВ-03; МВО-МСВ-04; МВО-МСВ-05.
Описание и конструкция МВО
Отсосы типа МС и МСВ представляют собой вентиляционный короб навесного типа, смонтированный на жестком каркасе из профильной трубы, в котором размещены устройства для приточной (рассеиватель) и вытяжной (лабиринтный фильтр) вентиляции. МВО-МСВ-05 изготавливаются бескаркасными.
Поток приточного воздуха направляется вниз от вентиляционного отсоса под углом 45°.
Местные вентиляционные отсосы типа МСВ устанавливаются в основном на тех предприятиях, где уже имеется приточная вентиляция или там, где в ней нет необходимости, а имеется естественный приток. В этом случае вместо рассеивателей приточной вентиляции в модификациях –01 ,–02 и -03 возможна установка светильника за отдельную плату. Светильники установленные на вентотсосах, не должны располагаться непосредственно над тепловыми поверхностями.
Отверстие для вывода провода подключения электропитания расположено в верхней плоскости вентиляционного отсоса, в зоне приточной секции.
- Каркас местного вентотсоса в стандартном исполнении изготавливается из окрашенной порошковой краской профильной трубы из конструкционной стали.
- Не видовые облицовки (задние, верхние) изготавливаются из окрашенной порошковой краской листовой конструкционной (черной) стали.
- Лицевые, боковые и внутренние облицовки, фильтры, рассеиватели и жиросборники отсосов изготовлены из нержавеющей стали.
- Нержавеющие облицовки прикрепляются к каркасу заклепками.
- Места соединения облицовок с каркасом заполняются герметиком, во избежание подсоса воздуха в обход фильтров.
- Вентиляционные отсосы могут соединяться между собой в единый пакет, не имеющий боковых перегородок, за счет чего при их соединении образуется общий воздухопровод: отдельно для вытяжной и отдельно для приточной секции.
- Предусмотрено пристенное крепление отсосов, подвесное и островное на специальной ферме.
Каждый отсос вентиляционный может комплектоваться фильтрами, рассеивателями приточной вентиляции, светильниками и жиросборниками, которые устанавливаются без использования инструмента. С каждым комплектом отсосов поставляется эксплуатационная документация. Иногда именуется как зонт МВО.
Рекомендуемая высота подвески вентотсосов МВО:
- МВО-МС, МВО-МСВ, МВО-МС-01, МВО-МС-04, МВО-МСВ-01, МВО-МСВ-04 - 1,5-1,6 м. над уровнем пола,
- МВО-МС-02, МВО-МСВ-02, МВО-МС-03, МВО-МСВ-03 - 1,9-2,0 м. над уровнем пола.
- МВО-МСВ-05 устанавливаются на крышу жарочных шкафов, зонт мво-500, зонт мво 500х500/400, зонт мво-0.8, зонт мво-0.8мсв, зонт мво-0.8мс-02 1.0, зонт мво-0.8 мс 0.2 1.0 800 1000 400, зонт мво-2000, зонт мво-мс, зонт мво-мсв, зонт мво-2.5, зонт мво-2.2мсв-1.2 п, зонт мво 2.4.
Типы приточно-вытяжных вентиляционных отсосов МВО
|
|
||
|
|
||
Вытяжные вентиляционные отсосы МВО
|
|
||
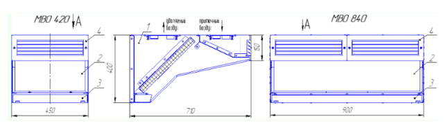
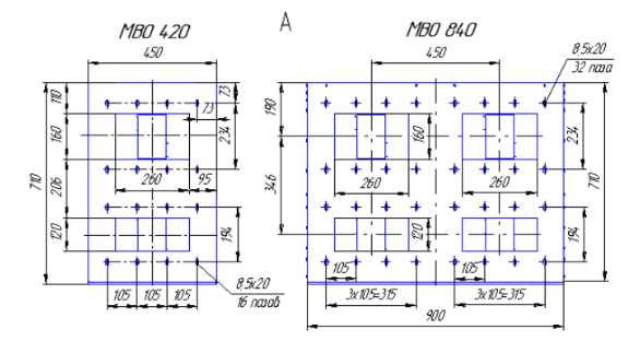
Габаритные размеры МВО

- кожух,
- фильтр типа ФяРБ
- поддон,
- решетка АМН 400х100

| Наименование показателя | МВО 420 | МВО 840 |
| Расход приточного воздуха Lпр., м3/ч | 900 | 1800 |
| Расход вытяжного воздуха Lвыт., м3/ч | 900 | 1800 |
| Эффективность очистки фильтра, % | 45÷48 | |
| Аэродинамическое сопротивление на вытяжке., Па | 140 | |
| Аэродинамическое сопротивление на притоке при положении жалюзи решетки 0о, Па | 20 | |
| Аэродинамическое сопротивление на притоке при положении жалюзи решетки 45о, Па | 100 | |
| Масса, кг | 12,1 | 20,2 |
Пример обозначения при заказе
- МВО 420-УХЛ3 – местный вентиляционный отсос типоразмер 420 для районов с умеренным и холодным климатом.
Доставка МВО
Наше Предприятие выполняет доставку транспортными компаниями "Автолайтэкспресс", "М&M", "МАКСАЭРОЭКСПЕДИЦИЯ" в любой город и населенный пункт Республики Беларусь.
При этом вся продукция упаковывается должным образом во избежание повреждений.
Назад к списку

























